Авторы: Антон, sema
В данной статье речь пойдет о блоке управления предварительным усилителем. Программное обеспечение рассчитано на управление микросхемой TDA7313, имеющей довольно неплохие параметры:
Таблица 1 – Основные технические характеристики TDA7313

Схема включения TDA7313 аналогична типовой схеме из datasheet. Единственное отличие: вместо оксидно-электролитических конденсаторов применены полиэтилентерафталатные К73-17.
Схемы подобных устройств есть в Сети, но данный вариант имеет некоторые отличия: применён графический дисплей 128х64 на контроллере KS0108, предусмотрено подключение ёмкостной сенсорной клавиатуры на AD7142, в данный момент идет изучение даташита на вышеуказанный чип, тем не менее, устройством можно полноценно управлять с пульта ДУ и валкодера. Валкодер подходит как промышленный, так и сделанный из шагового двигателя от дисковода 5,25 дюйма. Подходят как шестипроводные двигатели, так и четырёхпроводные (промышленный валкодер пока не опробован, но если что – подкорректировать прошивку недолго).
В составе блока управления имеются энергонезависимые часы на микросхеме DS1307.
Управляющий контроллер ATmega32. На данном этапе память программ заполнена на 61 %, ОЗУ используется на 16 %, EEPROM – на 2,8 %.
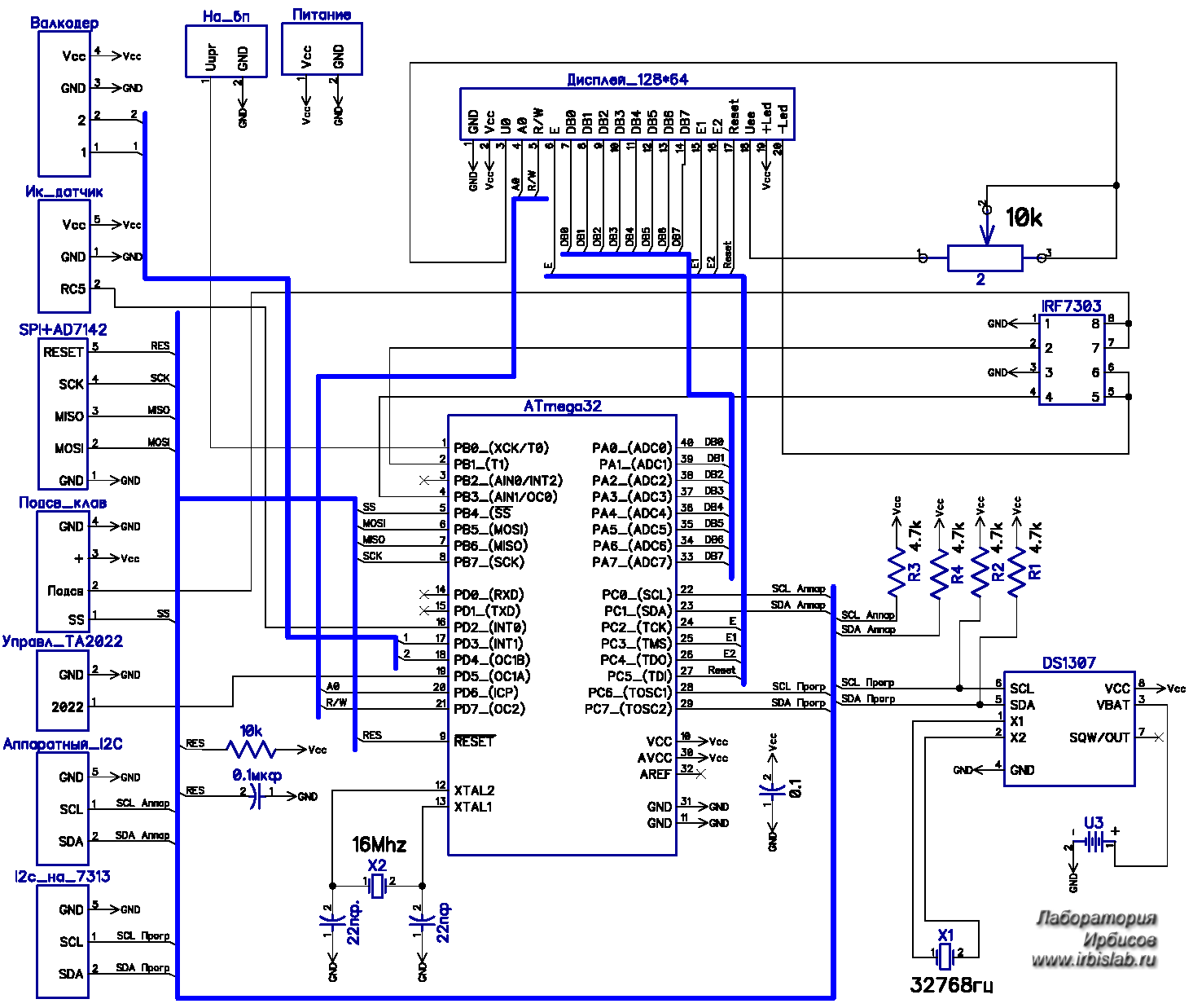
Принципиальная схема:

Рисунок 1 – Схема электрическая принципиальная
Описание разъемов:
- На_БП – предусмотрено управление блоком питания усилителя мощности. При включении с пульта усилителя, сначала на вывод Uupr подаётся логическая «1» – запрос в БП на подачу питания. Блоку питания даётся две секунды на то, чтобы выйти на рабочий режим и зарядить конденсаторы большой ёмкости. Только затем выставляются параметры в TDA7313, включается дисплей, подсветка клавиатуры и только после всех вышеперечисленных операций подаётся сигнал на снятие «MUTE»;
- ИК_датчик – предназначен для подключения TSOP-1736 или 1836;
- Валкодер – 1 и 2 – сигнальные линии, остальное – питание валкодера +5 В;
- SPI+AD7142 – для прошивки контроллера и подключения клавиатуры на AD7142;
- Подсв_клав – здесь SS – для активизации обмена с AD7142 по шине SPI;
- Управл_ТА2022 – у меня оконечный усилитель на данной микросхеме, и на вывод TA2022 подаётся/снимается логическая «1» для управления функцией «MUTE»;
- Оставшиеся 2 разъёма – аппаратный и программный интерфейсы I²C. С помощью программного осуществляется обмен с DS1307 и TDA7313. Аппаратный оставлен «на всякий случай» под будущее развитие конструкции.
Питание:
Блок управления питается от дежурного источника источника питания напряжением 5 В и током не менее 500 мА.
Управление:
При нахождении в меню, значения параметров можно изменять валкодером. Управление осуществляется с помощью подобного пульта:

Рисунок 2 – Пульт дистанционного управления (ПДУ)
- Кнопками 1, 2, 3 выбирается вход;
- 4 – включается/выключается аттенюатор;
- 5 – включение/выключение;
- 6 – выбор выделенных пунктов меню, а так же в меню «таймер» с помощью данной клавиши активизируется/снимается активация автовключения и автовыключения устройства;
- 7 – вход в меню, повторное нажатие данной клавиши вызывает выход в обычный режим из любого раздела меню;
- 8 и 13 – вертикальная навигация в меню;
- 10 и 11 в обычном режиме отвечают за регулировку громкости, в меню же позволяет осуществлять горизонтальную навигацию;
- 12 и 14 для изменения значений выделенных параметров – альтернатива – вращение ручки валкодера;
- 9 - переход на один уровень меню вверх.
Так же есть скрытое меню:

Рисунок 3 – Скрытое меню просмотра кодов клавиш ПДУ
Оно предназначено для просмотра кодов отдельных клавиш вашего пульта с целью его адаптации под устройство. Зайти в это меню можно нажав на любом пульте, совместимом с системами команд дистанционного управления RC-5/6/7, последовательность кнопок: <красная> <синяя> <зелёная> <жёлтая>. Для выхода из данного режима необходимо 3 раза подряд нажать красную кнопку.
В этом меню, нажимая кнопки на пульте, можно увидеть номер команды и системы пульта, записав эти данные, необходимо в исходниках поправить следующие данные:

Рисунок 4 – Часть программы, определяющая коды кнопок ПДУ
Затем следует перекомпилировать проект (этот фрагмент кода находится в начале файла 128х64_mega16.c), в данном случае:
Таблица 2 – Пример перекодировки
|
Название в исходнике
|
Номер клавиши (рис. 2)
|
Соответствующий код (рис. 4)
|
|
Up
|
8
|
32
|
|
Down
|
13
|
33
|
|
Left
|
10
|
17
|
|
Right
|
11
|
16
|
|
Menu
|
7
|
48
|
|
OK
|
6
|
59
|
|
Att
|
4
|
13
|
|
Off
|
5
|
12
|
|
Timer*
|
-
|
-
|
|
Minus
|
12
|
21
|
|
Plus
|
14
|
22
|
|
Go_to menu1
|
9
|
34
|
|
IN1
|
1
|
1
|
|
IN2
|
2
|
2
|
|
IN3
|
3
|
3
|
*) В следующей версии прошивки предполагается задействовать команду «Timer» – быстрый доступ в меню, где выставляется время автоматического включения/отключения путём нажатия клавиши с часами (присутствует практически на всех встречавшихся мне пультах RC5).
В обычном режиме на дисплее отображаются следующие данные:

Рисунок 5 – Вид экрана для обычного режима
На рисунке 5 слева вверху – текущий номер входа и значения регулировок по ВЧ и НЧ, тонкомпенсации для него. Для каждого входа, а их 3, запоминаются свои значения, которые сохраняются в энергонезависимой памяти МК.
Имеется возможность задавать время автоматического отключения – включения усилителя, (на рис. 6 активировано только автовключение) в этом случае отображается соответствующая информация под часами. Пустых полей нет, всегда идет выравнивание по верхнему правому краю.

Рисунок 6 – Вид экрана при активированной функции автоматического включения (таймер установлен на 0 ч 3 мин)
Если же включить аттенюатор, то происходит вертикальный сдвиг строк с информацией (аттенюатор, время автоматического включения/отключения). На рисунке 7 показано, что при активации аттенюатора под часами появилась мигающая надпись и информация о активации автовключения сдвинулась на строку вниз:

Рисунок 7 – Вид экрана при активации функции аттенюатора
В главном меню, представленном на рисунке 8, происходит выбор разделов. Перемещение по меню осуществляется влево или вправо (по кольцу). Нужный раздел выбирается в меню указателем-стрелочкой, вход в него осуществляется нажатием кнопки <ОК> (№ 6) или № 13 в соответствии с рисунком 2.

Рисунок 8 – Главное меню
Из главного меню можно попасть в 4 раздела: «Настройки», «Темброблок», «Часы», «Таймер»:

Рисунок 9 – Меню раздела «Настройки»
Параметр «Макс. Громкость» задаёт ограничение для защиты от любителей включения громкости «на всю катушку», которое помимо прихода соседей и наряда милиции ещё и чревато выходом из строя аппаратуры.
Значение ограничения отображается на шкале своеобразным «упором», выше которого усилитель не даст увеличить громкость.
Параметр «Макс. Гр. Вкл.» задает максимальное значение громкости при включении аппарата, на случай, если он был выключен при ее высоком значении.
Параметр «Аттенюатор» задаёт, на сколько дБ будет приглушен звук при его активации.
С «Tонкомпенсацией» и «Чувствительностью валкодера», надеюсь, всё и так понятно.

Рисунок 10 – Меню раздела «Темброблок (Эквалайзер)»

Рисунок 11 – Меню раздела «Часы»
В разделе «Часы» устанавливается дата и время в 24-часовом формате.

Рисунок 12 – Меню раздела «Таймер»
В разделе «Таймер» устанавливается время автоматического включения и выключение, а также активация и останов действия данных настроек.
Печатная плата:

Рисунок 13 – Вид со стороны установки элементов

Рисунок 14 – Вид на монтаж со стороны установки ЖКИ-модуля (пока не подключен)
Рисунок печатной платы не приводится, поскольку он зависит от имеющихся в наличии радиоэлементов, вариантов компоновки в составе усилителя и т.д.
Порядок установки FUSE bits для CVAVR v1.25.5 (Программа для МК написана на Си в CVAVR v1.25.5) приведён ниже:

Рисунок 15 – Установка FUSE bits для CVAVR v1.25.5
Что планируется добавить в будущем:
- Помимо сенсорной клавиатуры в планах ограничение громкости защитить паролем;
- При включении – отключении аттенюатора делать плавное приглушение/возвращение громкости.
В целом, запас для наращивания возможностей довольно велик.
Архив с дополнительными материалами по статье можно скачать здесь (0,3 МБ).
Список файлов, находящихся в архиве:
- Блок управления.dch – принципиальная схема в формате DipTrace 2.0;
- Схема.pdf – принципиальная схема в формате PDF;
- 128x64_mega16.c (находится в папке «Проект/128x64_mega16») – в нем происходит вызов всех необходимых подпрограмм, коды которых лежат в файлах *.h в папке «Проект/inc»:
- 128x64_functions.h – подпрограммы работы с графическим дисплеем;
- 1307_functions.h – подпрограммы для работы с часами;
- amp_init_on_off.h – инициализиция усилителя, функции вкл/выкл;
- controller_init.h – инициализация контроллера, вынесена из main туда;
- i2c_and_tda7313.h – программная реализация I²C и работа с TDA7313;
- massives.h – массивы с данными для отображения иконок и картинок;
- menu_navigation.h – функции перехода в различные меню;
- menu_otobr.h – отрисовка выбранного меню;
- peremennie_and_txt.h – прописаны все глобальные переменные и текстовые массивы;
- rc5.h - функция – декодер RC5 (Aheir & Goodefine, см. «Некоторые протоколы ИК-пультов. Часть первая», «Некоторые протоколы ИК-пультов. Часть вторая»);
- set_changes.h – установка параметров, при работе в меню;
- symbols.h – массивы шрифтов;
- tda_7313_control.h – функции для задания параметров звука;
- valcoder_functions.h – обработка команд с валкодера.
Папка «Проект/lib»:
- i2c_and_tda7313.lib – «самописная» библиотека для работы с TDA7313.
Обсуждение статьи на форуме
Copyright © Лаборатория Ирбиcов - Мягкой поступью к вершинам знаний и мастерства Все права защищены.